Как правильно выбрать гигрометр
Прежде чем выбирать гигрометр, необходимо учесть, что существует несколько видов: настенный, настольный, механический и цифровой. Эти приборы отличаются не только по своим техническим характеристикам, но и по комплектации, точности показателей. Кроме того, они могут иметь дополнительные функции, такие как календарь, часы, будильник, индикатор уровня комфорта и т.д.
Важно! В случае настольного размещения гигрометра следует учитывать не только его размеры, но и угол поворота прибора к источнику света. Это позволит получить более точные данные.
При изучении технических параметров датчика следует обратить внимание на показатели относительного и абсолютного давления. Более того, выбор прибора должен зависеть от размеров инкубатора
Так, если он предназначен для более, чем 100 яиц, необходимо устанавливать более мощный гигрометр.
Примеры наиболее популярных моделей:
- MAX-MIN — имеет пластиковый корпус, оснащен градусником, часами и будильником, а также позволяет монтировать дополнительные датчики. В случае изменения уровня влажности подает звуковой сигнал.

Stanley 0-77-030 — имеет ЖК-дисплей и прочный корпус, защищенный от механических повреждений, но его стоимость крайне высока.

DC-206 —предназначен для инкубатора небольшого размера и может быстро выйти из строя при механическом повреждении.

НТС 1 — компактный электронный прибор, имеющий ЖК-дисплей и оснащенный календарем, часами и будильником.

Гигрометры бывают следующих видов:
- волосной;
- весовой;
- керамический;
- конденсационный;
- электронный;
- психрометрический (психрометр).
Рассмотрим более подробно технологию действия каждого вида устройства.
Волосной гигрометр

Волосные гигрометры работают на основе обычного волоса и его свойств. Волос может изменять свою длину при различной влажности воздуха. Он натягивается на дощечку или рамку и, удлиняясь или укорачиваясь, двигает стрелку, которая в свою очередь перемещается по шкале устройства.
Читать так же: Особенности кассетного содержания пчел в павильонах «Берендей»
Волосной гигрометр хорош для домашнего использования, если необязательно получение предельно точных данных.
Также их не стоит перемещать или как-то иначе механически на них воздействовать. При малейшем ударе гигрометр может выйти из строя, так как вся его конструкция достаточно хрупка и деликатна.
Весовой гигрометр

Абсолютный весовой гигрометр состоит из нескольких трубок, приведенных в систему. В них помещается гигроскопическое вещество, которое может поглощать из воздуха влагу.
Через всю систему протягивается определенная порция воздуха, взятая в одной точке пространства.
Так, человек определяет массу трубочной системы до пропуска через нее воздуха и после, а также непосредственно объем проведенного воздуха и при нехитрых математических манипуляциях может просчитать изучаемый показатель в абсолютном значении.
Механический (керамический) гигрометр

Пористая или твердая керамическая масса, в состав которой также входят металлические элементы имеет электрическое сопротивление. Его уровень напрямую зависит от влажности.
Для правильного его действия керамическая масса должна состоять из некоторых окислов металла. В качестве основы используется каолин, кремний и глина.
Конденсационный гигрометр

Такой гигрометр достаточно прост в применении. Принцип его действия основывается на использовании встроенного зеркала. Температура этого зеркала изменяется вместе с температурой воздуха в окружающем пространстве.
Определяется его температура в первоначальный момент измерения. Далее на поверхности зеркала появляются капли влаги либо небольшие кристаллы льда. Температура измеряется еще раз.
С помощью разницы температур, определенных конденсационным гигрометром, и определяется влажность воздуха.
Электронный гигрометр

На пластинку из стекла или другого подобного электроизоляционного вещества наносят слой хлорида лития.
Меняется влажность – увеличивается или уменьшается концентрация и сопротивляемость хлористого лития.
Стоит отметить, что на показания электронного (электролитического) гигрометра может оказывать незначительное влияние температура воздуха, поэтому он часто оборудован встроенным термометром.
Такой гигрометр предельно точен и дает показания с минимальной погрешностью.
Психрометрический гигрометр (психрометр)
Психрометр представляет собой систему из двух обычных спиртовых термометров. Один из них сухой, а второй – влажный (это состояние регулярно поддерживается).
Чем быстрее испаряется влага, тем ниже относительная влажность. Конденсированная жидкость при этом начинает охлаждаться. Таким образом, устанавливают разницу между температурами двух термометров и скорость испарения, а на их основе находят влажность воздуха.
Психрометр не является гигрометром в прямом смысле, но измеряет тот же показатель, поэтому их зачастую отожествляют.
По сути, принцип действия любого гигрометра достаточно прост и базируется на физических или химических свойствах материалов и веществ.
Практически любой гигрометр подойдет для использования вы бытовых условиях, но самые точные данные все же дают электронные гигрометры.
Влагомер его особенности
Для того чтобы узнать, как пользоваться гигрометром нужно рассмотреть основные типы приборов для измерения влажности. Психрометр состоит из двух отдельных термометров, закрепленных на одном корпусе. Один является сухим, а другой — влажным (мокрым). Нижний конец мокрого термометра покрыт специальной тканью, исполняющей роль фитиля. Он постоянно находится в воде, охлаждая и смачивая мокрый термометр. При температурах (Т) выше точки замерзания воды фитиль снижает температуру мокрого термометра, она обычно ниже сухого. Однако когда Т воздуха падает ниже нуля, влажный термометр покрывается тонким слоем льда, и она может быть теплее сухого термометра.
Относительная влажность рассчитывается исходя из температур окружающей среды, сухого термометра и разницы температур, между показателями сухого и влажного термометров. Относительная влажность определяется по психрометрической карте. Когда две температуры равны — воздух полностью насыщен, а чем больше их разница, тем суше воздух. По специальным таблицам, зная Т воздуха и психрометрическую разность (Т – Т м), определяют остальные параметры воздуха. Психрометры обычно используются в метеорологии, а также в системах отопления, вентиляции и кондиционирования воздуха жилых и общественных зданий.
Популярные виды приборов
Порядок и особенности измерения уровня влажности гигрометром зависят от вида используемого лабораторного оборудования. Такие приборы отличаются между собой устройством, принципом работы и рядом других параметров.
По конструкции гигрометры бывают механическими и электронными. Первые имеют циферблат со стрелкой, вторые – дисплей, на который выводится информация.
По принципу действия существуют такие типы приборов:
- пленочные;
- волосные;
- весовые;
- емкостные;
- резистивные;
- керамические;
- конденсационные;
- электролитические;
- психометрические.
Пленочные гигроскопы имеют циферблат со стрелкой. Датчиком выступает специальная пленка. Она состоит из органического материала и соединена со стрелкой.
Под воздействием перепада влажности атмосферного воздуха пленка изменяет свой размер. Это приводит к тому, что стрелка смещается в правую либо левую сторону, показывая результат на циферблате.
Основным элементом волосных приборов является натянутый на рамку со стрелкой обезжиренный человеческий или синтетический волос. Принцип работы устройства схож с пленочными видами гигрометров.
При изменении влажности меняется длина волоса. Это приводит к отклонению стрелки в определенную сторону.
Весовые гигроскопы используются для расчета абсолютной влажности. Они оснащены трубками с гигроскопическим материалом. При прохождении воздушной массы наполнитель впитывает влагу и увеличивается в весе.
Забор пробы осуществляется специальным насосом. Систему взвешивают перед закачкой воздуха и после нее. Абсолютную влажность высчитывают, основываясь на полученных показателях, объеме пропущенной воздушной массы.
Емкостные гигрометры имеют в своем составе оксидный конденсатор. Его емкость изменяется в зависимости от концентрации влаги в воздухе. Такие модели необходимо периодически подвергать калибровке. Это связано с тем, что со временем емкость детектора снижается, что сказывается на точности измерения.
Резистивные гигроскопы работают по принципу изменения уровня влажности в зависимости от электрического сопротивления солей и полимеров. Керамические приборы состоят из циферблата со стрелкой. Датчиком выступает особая керамическая смесь (глина, кремний). Ее электролитическое сопротивление зависит от уровня влажности.

Керамические гигрометры показывают исключительно уровень влажности. Дополнительных функций в них нет. Но они точны и позволяют следить за изменением микроклимата в помещении
Приборы конденсационного типа еще называются гигрометрами Ламбрехта. Принцип действия оборудования базируется на использовании встроенного зеркала. Температура этого элемента изменяется вместе с температурой атмосферного воздуха.
Основным элементом электролитических приборов выступает стеклянная, полистирольная либо другая изоляционная пластина, покрытая слоем электролита. В зависимости от концентрации влаги в воздушной среде изменяется сопротивление электролита.

Конденсационный гигрометр отличается высокой точностью. Но для бытового использования он мало подходит из-за определенных сложностей использования
Психометрические гигрометры измеряют влажность атмосферного воздуха на основе понижения температуры смоченного тела. Они состоят из двух термометров: сухого и увлажненного.
Также оснащается прибор питателем – стеклянной колбой, которая заполняется водой. Расчет проводится исследователем самостоятельно. Помогает определить относительную влажность воздуха гигрометром таблица, прилагаемая к устройству.
Помимо приборов, существуют альтернативные способы измерения влажности. Подробнее – читайте далее.
Как самому сделать датчик влажности
С помощью схемы, основанной на одном транзисторе можно сделать простой датчик влажности. Пластина с датчиком, которого будет предупреждать о повышении уровня влажности. Ее делают с обрезка фантированого стеклотекстолита. Площадь делят на два сектора и хорошо лужируем.
Суть роботы: влажность попадает на контактирование клингера, они образуют отпор и обнаруживают прибор усиливающий электроколебание. И через прибор бегут электрически заряженные частицы.
Для роботы, подойдет светодиодный клигер и пьезоизлучатель с парадигмой, обмотку реле. Ее контакты будут служить зачинателем или размыкателем электрики.
Реагирует чувствительность прибора построечный резистор, реагирующий на любой уровень проходящего тока.
ГОСТ
Для некоторых типов гигрометров разработаны ГОСТы, которые регламентируют методики их поверок:
- ГОСТ 8.472-2013 – для пьезосорбционных гигрометров.
- ГОСТ 8.547-86 регламентирует поверочную схему и первичный эталон для средств измерений относительно влажности газов, включая гигрометры и гигрографы.
- ГОСТ Р 8.881-2015 регламентирует методики поверки для влагомеров пиломатериалов и древесины.
- ГОСТ 8.519-84 – для диэлькометрических влагомеров строительных материалов.
- ГОСТ Р 8.781-2012 – для влагомеров зерна и зернопродуктов.

Следующие ГОСТы регламентируют технические требования и условия:
- ГОСТ Р 8.758-2011 – для кулонометрических гигрометров.
- ГОСТ 29027-91 – методы испытаний и общие технические требования для влагомеров сыпучих и твердых веществ.
- ГОСТ 21196-75 – для нейтронных влагомеров.
Внесенные в Госреестр СИ приборы, применяемые для измерений в сфере ГРОЕИ, должны проходить обязательную ежегодную периодическую поверку, которой, как и первичной, занимаются специальные аккредитованные органы.
Так как механические модели гигрометров чувствительны к вибрациям и встряскам, после покупки они требуют калибровки, которые выполняются специальным винтиком, расположенным, как правило, с обратной стороны корпуса.
Смысл этого действия заключается в помещении прибора в среду с заранее известной влажностью, после чего следует подстройка его значения.
Гарантировать качество гигрометра способно в первую очередь свидетельство об утверждении типа СИ.
Маркировка
Влагомеры маркируются в соответствии с ГОСТ 26828. В маркировке должен содержаться товарный знак производителя, обозначение гигрометра, его порядковый номер и дата выпуска, а также знак Госреестра.
На потребительской таре, то есть упаковке указывается обозначение прибора и товарный знак.
В случае, когда влагомер прошел приемо-сдаточные испытания, на него ставят пломбу.
ТОП-7 лучших гигрометров
Лучший точный настольный гигрометр
TFA 45.2020
Аналоговый термо-гигрометр характеризуется высокой точностью измерений. Прибор компактных размеров крепится к стене или фиксируется на столе.
Аппарат подходит для контроля климата в жилых помещениях, кладовых и в испытательных лабораториях. Диапазон измерений температуры от -20 до 40°C, точность +/- 1°C, влажности +/-3% от 35 до 70% при температуре 20°C. Батареи к нему не требуются. Цена в 4000 рублей не кажется чрезмерной при такой точности измерений.
Цена: ₽ 3 990
Лучший гигрометр для бани и сауны
TFA 40.1012
Высокоточный волосяной прибор для измерения влажности в сауне или бане. Аппарат оснащен деревянным прочным термостойким корпусом. Предусмотрено крепление на стену. Шкала измерений от 0 до 100% с ценой деления 1%. Для наглядности диапазон от 0 до 30% отмечен зеленым цветом. Стоимость 2200 рублей посильна даже для скромного бюджета.
Цена: ₽ 2 200
Лучшая метеостанция
Stadler Form Selina
Метеостанция позволяет измерять температуру от -10 до 50°C, а также уровень влажности в помещении от 25 до 98%. Имеется дополнительная опция — часы. Питание осуществляется с помощью автономных батарей типа CR2016. Вес 70 г. Предусмотрен индикатор заряда. Для таких показателей цена в 2000 рублей под силу любому пользователю.
Цена: ₽ 1 990
Лучший электронный гигрометр
Термогигрометр настольный Мегеон 20207
Мегеон 20207 измеряет влажность, температуру воздуха, показывает время в формате 12 или 24 часов. Имеется будильник, отображение даты. Прибор фиксирует в памяти максимальные и минимальные показатели влажности и температуры. Для такого многофункционального прибора цена в 1000 рублей весьма выгодна.
Цена: ₽ 990
Лучший механический гигрометр
Boneco A7057
Механический прибор определяет уровень относительной влажности в помещении. Шкала работает в диапазоне от 20 до 100% влажности. Уровень, рекомендуемый для человека, выделен цветом (от 45 до 65%). Прибор выполнен в оригинальном дизайне и в компактных размерах. Цена 500 рублей вполне устроит любого покупателя.
Цена: ₽ 488
Лучшие Гигрометры-психрометры
Гигрометр Стеклоприбор ВИТ-2
В приборе используется дистиллированная вода, поэтому аппарат не может применяться в помещениях с температурой воздуха ниже 0°C. Минимум температуры для него -20°C, максимум 40°С. На пластмассовом основании закреплена температурная шкала, имеющая 2 капилляра. Шкальная пластина с таблицей выполнена из металла. Для такого прибора вполне подходит цена в 350 рублей.
Цена: ₽ 350
Гигрометр Стеклоприбор ВИТ-1
Принцип действия прибора основан на определении относительной влажности окружающего воздуха с использованием психрометрической таблицы. Результат определяется по показанию «сухого» термометра и разнице показаний «влажного» и «сухого» термометров. Таблица и шкала сделаны из металла. В качестве термометрической жидкости используется толуол. Диапазон измерений относительной влажности от 20 до 90%, температурный диапазон измерения влажности от 5 до 25°C. Диапазон измерения температур от 0 до 25°C, цена деления шкалы 0,2°C. 310 рублей — самая демократичная цена из предложенного списка приборов.
Цена: ₽ 310
Как работает гигрометр?
Чтобы измерить, какова влажность воздуха внутри инкубатора, необходимо опустить датчик внутрь него через специально проделанное отверстие так, как показано на фото. Зафиксируйте его в подвешенном состоянии на 5-7 минут. После этого на дисплее появятся искомые показатели влажности.

Если крышку инкубатора открыть все-таки пришлось, то реальные показания будут готовы только спустя 40-60 минут.Как правильно эксплуатировать электронный гигрометр?
Чтобы устройство исправно работало долгие годы, необходимо оберегать его от механических воздействий, в частности от ударов и дерганий за провод, на котором прикреплен датчик.

Не размещайте аппарат для вывода птенцов, а, следовательно, и влагомер, под солнцем и на сквозняке. Это может оказать негативное влияние на будущий выводок.
Важное условие для нормального функционирование прибора – температурный режим, который может варьироваться от -40 до +70⁰С. Избегайте попадания на гигрометр жидкости, пыли и грязи
Особенно бережно следует относиться к датчикам и корпусу
Избегайте попадания на гигрометр жидкости, пыли и грязи. Особенно бережно следует относиться к датчикам и корпусу.
Как выбрать гигрометр для квартиры, дома, бани
При выборе гигрометра нужно смотреть на его характеристики. Важным значением обладают несколько моментов.
Точность
Механические устройства обычно определяют влажность воздуха с точностью до 2-3%. У электронных девайсов цена деления составляет 1%. Модели последнего типа рекомендуется выбирать, если нужно иметь максимально полное представление о влажности воздуха, например, при аллергии или при разведении комнатных растений, чувствительных к микроклимату.
Диапазон измерения влажности
Если девайс нужен для гостиной, спальни или детской, то подойдет устройство, замеряющее влажность в пределах 20-70%. Для подвала или бани стоит приобретать модели со шкалой до 100%.
Скорость определения влажности
Некоторые модели гигрометров оценивают изменение влажности воздуха в квартире всего за несколько секунд. Другим на обработку результатов требуется около минуты. Модели первого типа более удобны в применении.
Дополнительные функции
Хороший гигрометр для квартиры может быть дополнительно оснащен часами или термометром. Некоторые модели сообщают об изменениях микроклимата светодиодами или звуковым сигналом.
Какой гигрометр лучше — механический или электронный
Механические девайсы обладают простой конструкцией и дешево стоят. Электронные отличаются большей точностью, демонстрируют широкий диапазон измерений и дают минимальную погрешность. Их основным недостатком является то, что работают они не автономно, а от батареек. Но пользоваться электронными моделями удобнее.
Психрометр — устройство, принцип работы
Влажность воздуха в квартире — один из основных показателей домашнего микроклимата. Слишком высокое или низкое содержание влаги в воздухе может доставить дискомфорт и негативно сказаться на самочувствии.
Влажность воздуха — это показатель содержания водяного пара в воздухе. Влажность домашнего воздуха меняется в зависимости от погодных условий и процессов жизнедеятельности людей.
Без специальной аппаратуры определить относительный точный уровень влажности воздуха сложно. Однако не соответствующую норме концентрацию влаги можно определить по сухости кожи и слизистых или скоплению конденсата (точка росы) на окнах и зеркальных поверхностях.
Относительная влажность — содержание водяного пара в воздухе и его взаимодействие с температурой воздуха.
Прибор для измерения влажности воздуха называется гигрометр.
Гигрометр бывает нескольких видов:
- волосяной,
- пленочный,
- весовой,
- конденсационный,
- психрометрический,
- электронный.
Психрометрический гигрометр
Психрометр основан на взаимодействии между собой «сухого» и «влажного» термометров. В приборе установлены два градусника с подкрашенными жидкостями (красного и синего цветов). Одна из этих трубок обмотана хлопчатобумажной тканью, конец которой погружен в резервуар с раствором. Ткань намокает, а затем влага начинает испаряться, тем самым охлаждая «влажный» термометр. Чем ниже влажность воздуха в помещении, тем ниже будут показания термометра.
Чтобы высчитать процент влажности воздуха на психрометре, следует в таблице на приборе найти значение температуры воздуха согласно показаниям градусника и найти разницу значений на пересечении показателей.
Психрометры бывают нескольких видов:
- стационарный. Включает два градусника (сухой и влажный). Работает по принципу, описанному выше. Процент влажности воздуха рассчитывается по таблице.
- аспирационный. От стационарного отличается лишь наличием специального вентилятора, который служит для обдува термометров поступающим потоком воздуха, тем самым ускоряя процесс измерения влажности воздуха.
- дистанционный. Этот психрометр бывает двух видов: манометрическим и электрическим. Вместо ртутных или спиртовых градусников имеет кремниевые датчики. Однако, как и в первых двух случаях, один из датчиков остается сухим, второй — влажным.
Работа психрометра основана на степени охлаждения испарением резервуара «смоченного» термометра при балансе теплообмена и зависящей от количества влаги в вентилируемом потоке воздуха постоянной скорости.
По температуре «смоченного» термометра и температуре воздуха определяют относительную влажность.
Психрометр состоит из двух основных частей — головки 1 и термодержателя 3 (рис. 1).
Внутри головки располагается аспирационное устройство, состоящее из заводного механизма, ключа 2 и вентилятора для психрометра МВ-4-2М; в психрометре М-34-М используется электродвигатель с вентилятором, подключаемый к сети переменного тока напряжением 220 В.
На термодержателе 3 установлены термометры 4, один из которых «смоченный», а другой служит для измерения температуры воздуха.
Термометры защищены от воздействия солнечной радиации как сбоку — планками 5, так и снизу — трубочками 6.
В нижней части термодержателя расположено устройство для регулирования скорости аспирации. Оно состоит из клапана 8, имеющего форму конуса и подпружиненного винта 7. При повороте винта перекрывается определенная часть сечения трубки 9, что приводит к изменению скорости аспирации.
Регулировка скорости до заданной величины проводится на заводе и при необходимости в бюро поверки.
| Рис. 1. Схема аспирационного психрометра МВ-4-2М | При вращении вентилятора в прибор всасывается воздух, который обтекает резервуары термометров, проходит по трубке 9 к вентилятору и выбрасывается наружу через прорези в аспирационной головке. К психрометру прилагаются: пипетка для смачивания, состоящая из стеклянной трубочки, вставленной в резиновый баллон с зажимом; щиток (ветрозащита) для защиты аспиратора от влияния ветра; металлический крючок для подвешивания прибора за шарик на аспирационной головке, поверочные свидетельства к термометрам и паспорт. Для вычисления влажности по показаниям термометров используют психрометрические таблицы или вычисляют по формуле. Формулы и вспомогательные таблицы для вычисления абсолютной и относительной влажности представлены в приложении 1 |
Изготовление датчика влажности почвы своими руками на Arduino
Разумеется, сам сенсор изготавливать не нужно, эта деталь давно и успешно выпускается нашими друзьями из Поднебесной и стоит относительно недорого. Речь пойдет об интеграции датчика в систему управления для теплицы или балконной грядки.
Типичный пример: комплект FC-28.

Представляет собой емкостной детектор, соединенный с платой компаратора, выполненной на микросхеме LM393. В схеме присутствует потенциометр, с помощью которого можно произвести калибровку и задать условия для срабатывания датчика. Принципиальная схема устройства на иллюстрации:

Прибор не предназначен для мониторинга текущей влажности земли: его задача дать сигнал для включения системы автоматического полива. При достижении откалиброванного резистором порога сухости почвы, логический «0» на выходе компаратора меняется на «1» (контакт D0). Контроллер получает сигнал и дает команду исполнительному механизму полива.
В принципе, разработчик предусмотрел возможность снятия показаний для отображения на текстовом табло. Для этого используется аналоговый сигнал (A0) со схемы управления. Это не основной режим, но оператор всегда может увидеть влажность почвы в процентах.
Питание комплекта осуществляется с помощью источника 5 вольт с током до 35 мА. Это может быть блок питания или комплект батареек. Подойдет любая версия Arduino: например, UNO.
Схема может быть расширена датчиком уровня воды, световой и звуковой сигнализацией. Источником водоснабжения служит помпа, соединенная с контролируемым резервуаром. Типовая блок-схема готовой системы полива на емкостном датчике влажности представлена на иллюстрации:

Если запрограммировать контроллер Arduino на несколько грядок, можно применять систему на больших территориях: поле, теплица и пр.
5 причин, почему нужно регулярно измерять влагу в помещениях
Нужно научиться, как правильно пользоваться гигрометром психрометрическим, чтобы регулярно измерять влажность в окружающей среде, поскольку она серьезно влияет на жизнедеятельность человека.
Комфорт в доме
Люди гораздо больше времени проводят дома, чем на улице, поэтому измерять показания влажности дома очень важно, чтобы создать комфортную атмосферу для проживания. Ведь только определив содержание влаги в воздухе, можно решить, нужно ли включать систему отопления или вентиляции
Влажность непосредственно влияет на комфорт в квартире, и рекомендуется, поддерживать ее значение в пределах от 25 до 55 % или, еще лучше, от 40 до 50 %. Можно использовать увлажнители и осушители, чтобы жильцы дома всегда чувствовали себя прекрасно, независимо от того, какая погода на улице. Защита здоровья. Неадекватные уровни влажности представляют потенциальные риски для здоровья. Если влажность в доме слишком высока, появляется риск размножения плесени и бактерий, некоторые виды которых чрезвычайно опасны, особенно когда в доме проживают дети. Чрезмерно сухой воздух является еще одним проблемным фактором, может вызвать зуд кожи, кашель, а также другие болезненные симптомы. Сухой воздух — питательная среда для аллергенов. Измеряя влажность, можно достичь оптимальных параметров воздуха, чтобы обеспечить здоровый образ жизни. Сохранность имущества. Слишком много влаги в воздухе – дом наполнится грибком и плесенью. Теплый и влажный воздух – идеальный рецепт для плесени, которая будет расти повсюду: в душе, кухне, на продуктах, мебели и книгах. Определив, что влажность высокая, нужно будет тщательно проветрить дом и осушить воздух кондиционером или осушителем. Инструмент для определения влаги может помочь контролировать влажность. Сухой воздух может привести к повреждению музыкальных инструментов или мебели, поскольку дерево может треснуть и деформироваться. Можно сэкономить немалые деньги на дорогостоящем ремонте или замене мебели, если вовремя контролировать влажность. Защита животных. Влажность наносить губительный вред домашним животным, порой даже больше, чем человеку, нужно тщательно контролировать влажность, чтобы животные чувствовали себя комфортно. Сохранность урожая. Без надежного гигрометра невозможно вырастить урожай в теплице или оранжерее, в которых необходимо поддерживать конкретные параметры для растений. Слишком много влаги и придется иметь дело с корневой гнилью, грибами и множеством других проблем, которых лучше всего избегать, сохраняя влажность на необходимом уровне.
Методы определения влажности воздуха
Используют специальные приборы для измерения:
- гигрометры;
- психрометры.
Гигрометр – один из измерительных приборов, благодаря которому можно определить уровень влажности.
Есть несколько типов гигрометров:
- волосной;
- весовой;
- конденсационный;
- электронный;
- электролитический;
- пленочный;
- керамический.
Каждый из приспособлений имеет особенный принцип работы. Например, конструкцию волосного гигрометра составляет система U – образных трубок. Они наполнены специальным веществом, которое поглощает водяной пар. С помощью насоса через эту систему подают воздух и определяют его влажность.
Наиболее точным измерителем считается конденсационный гигрометр. Он измеряет количество конденсата, который образуется на стеклянной поверхности после воздействия на нее солнечного луча. Погрешность при работе такого устройства очень низкая.
Психрометр – еще один из измерителей влажности воздуха окружающей среды.
Виды психрометров:
- психрометр Августа (станционный);
- психрометр Ассмана (аспирационный);
- дистанционный психрометр.
Психрометр Августа — один из наиболее известных приборов для измерения влажности. Строение этой конструкции достаточно несложное. Конструкция психрометра состоит из прикрепленных на одном штативе двух одинаковых термометров. Один из них называется сухим, он показывает температуру в помещении.
Второй термометр называют влажным или смоченным. Конец этого термометра в виде чехла обматывают батистовой тканью или марлей, конец которой опускают в резервуар с водой, находящийся на тыльной стороне конструкции психрометра.
Вода с кусочка ткани испаряется, из-за чего температура на влажном термометре снижается до момента, пока термометр не начнет показывать температуру, при которой пар становится насыщенным. В такой момент показываемые на влажном термометре данные будут представлять показатели реальной температуры окружающей среды.
Определения влажности воздуха в определенном помещении с помощью психрометра занимает немного времени. Для этого устройство помещают в место, изолированное от попадания солнечных лучей и посторонних тепловых воздействий на 10 – 15 минут, после чего записывают результаты измерения каждого из термометров прибора.
Шкала термометра поделена от — 25˚ до + 50˚ на интервалы в 0,2 градуса.
6 простых способов измерений
С помощью простых методов есть возможность получить нужную информацию.
- Коктейльную трубочку протыкают булавкой. Втыкают в дырку деревянную плиту. Один конец человеческого волоса привязывают к трубочке, другой – к иголке. Натягиваем волос так, чтобы соломинка находилась в горизонтальном положении. Все изменения будут понятны по натягиванию или ослабеванию волоска, который будет тянуть стрелку.
- Рюмку с водой держат в рефрижераторе несколько часов, достают, ставят подальше от батарей и начинают смотреть. Стекло потеет, а потом высыхает – в доме сухой воздух. Потекли по стеклу ручейки – слишком влажно. А если ничего не меняется – значит все в норме.
- Берут два обычных градусника со ртутью. Кусочек тряпки скручивают в трубку и привязывают к одному из термометров, а потом опускают в баночку, где есть вода. Градусники цепляют к щитку и подвешивают с помощью крючков. Баночку ставят между градусниками. В результате получиться два градусника с сухим и влажным воздухом. Первый укажет на меньшую температуру. Разные температуры показывают насколько воздух влажный.
- Берутся салфетка, фанера, клей, 2 гвоздя, 2 куска проволоки (длиной 4 см). Гвозди вбиваются в фанеру, на расстоянии, которое ровняется длине салфетки. Между ними на клей крепится салфетка. К ней крепится проволока. Для образования стрелки, надо одну из частей проволоки частично прикрепить к салфетке, частично – к гвоздю. Принцип прибора основывается на свойствах салфетки вбирать в себя воду. Об изменениях микроклимата помещения скажет стрелка.
- Берутся шишка и кусок фанеры. Шишку прикрепляют к центру фанеры скотчем и наблюдают, как раскрываются чешуйки. Если быстро – микроклимат ниже нормы. Поднимаются вверх – высокая влажность. А если ничего не меняется – все показания в норме.
Но для измерения существуют и другие приборы, которые тоже, можно изготовить самому.
- Берется пластинка фольгированного стеклотекстолита. На ней изображаются две контактные площадки, изолированные друг от друга. Припаивают проводки и капают капельку туши для рисования. Измеряется сопротивление засохшей кляксы. Сопротивление при увеличении влажности увеличивается, а при уменьшении – уменьшается.
Кроме простейших измерителей можно сделать и сложные гигрометры.
Изготовление датчика влажности почвы своими руками
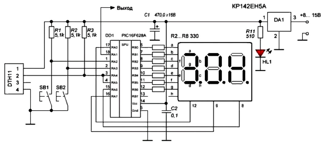
Еще одна популярная сфера применения датчика влажности (на этот раз воздуха) – это домашний инкубатор. Как известно, при нагреве инкубатора воздух внутри осушается. Это может привести к высокому проценту отбраковки яиц. Примитивные миски с водой не всегда дают должный эффект: без системы контроля вода испарится, а владелец инкубатора может пропустить этот момент. Для контроля необходим элементарный контроль с цифровым табло.
Если не рассматривать популярные готовые решения на Ардуино, можно собрать электронный детектор влажности воздуха на базе микросхемы PIC16F628A. Сенсор влажности, совместимый с такой логикой – DTH-11. Остальная элементная база – несколько согласующих резисторов и цифровое табло.

Данный контроллер имеет возможность как показывать уровень влажности в процентах, так и давать сигнал на исполнительное устройство для увлажнения. Снабдив его любым типом увлажнителя можно не беспокоиться о сохранности яиц в закладке.
Кроме того, данная схема позволяет подключить сенсор температуры. Таким образом, вы получаете полноценную систему климат контроля для инкубатора, работающую в автономном режиме.
Вывод
Ни одно строительство не обходится без гигрометров. Данные приборы получили значение и в быту, лабораторных исследованиях, аграрной деятельности и иных сферах жизнедеятельности человека. Они способны измерять уровень влажности в жидких, газообразных и твёрдых веществах.
По мнению покупателей, наиболее точными являются электронные гигрометры российского и зарубежного производства. Они могут работать в отрицательных и положительных температурных диапазонах (зависит от модели). Влажность воздуха измеряется только в положительных интервалах. Устройства, с шагом в одно деление и точкой отсчёта от нуля – самые надёжные. Бюджетные варианты – настенные гигрометры для бани или комнат из дерева или пластика. В таблице описаны самые распространённые датчики влажности на нынешний год.
Таблица – «Список лучших гигрометров на 2022 год»
| Модель: | Производитель: | Тип: | Диапазон измерения влажности (%): | Средняя стоимость (рубли): |
|---|---|---|---|---|
| «115-HP» | «Sawo» | механический | 0-100 | 413 |
| «100-HBA» | 690 | |||
| «270-HP» | 990 | |||
| «40.1003» | «TFA» | механический | 0-100 | 1800 |
| «А7057» | «Boneco» | механический | 20-100 | 390 |
| «AR847» | «Smart Sensor» | электронный | 01.05.1998 | 4700 |
| «UT333» | «UNI-T» | цифровой | 0-100 | 960 |
| «608-H1» | «Testo» | сенсорный | 01.10.1990 | 6900 |
| «AS817» | «Smart Sensor» | электронный | 01.10.1995 | 2430 |
| «DT-322 Instruments» | «СЕМ» | электронный | 01.10.1990 | 900 |
| «HM55» | «Beurer» | электронный | 0-80 | 1300 |
| «MiaoMiaoce Smart Hygrometer» | «Xiaomi» | цифровой | 0-60 | 650 |
| «WS9057» | «La Crosse» | цифровой | 01.01.1999 | 3700 |
| «ВИТ-2» | «Стеклоприбор» | спиртовой | 20-90 | 320 |
| «RST02413» | «RST» | электронный | 20-99 | 1950 |





































