Филаменты
Источником излучения светового потока в филаментной лампе являются филаменты, откуда и произошло название лампы.

На фотографии показано шесть филаментов, извлеченных из перегоревшей лампы. Филаменты могут иметь любую форму, даже спирали. Это позволяет дизайнерам создавать эксклюзивные лампочки.
Устройство светодиодного филамента
Филаменты изготавливают по технологии Chip-On-Glass, сокращенно COG, что переводится как чип на доске.
Основанием филамента служит стеклянный или сапфировый стержень круглой формы с вплавленными в него по торцам электродами. Диаметр стандартного стержня составляет 2 мм, длина – 30 мм.

Вдоль стержня закреплено последовательно соединенных 28 светодиодных миниатюрных кристаллов синего и красного цветов излучения. Сверху светодиоды покрыты слоем лака, пропускающим только белый свет.
Мощность филамента составляет около 1 Вт, напряжение, необходимо для свечения составляет около 60 В. Рабочий ток, соответственно, около 16 мА.
Филаменты в лампочках размещают в герметичную стеклянную колбу, но они успешно могут работать и на открытом воздухе, что позволяет из них делать оригинальные самодельные светильники.
Разновидности
Филаментные светодиоды различаются по конструкции «нитей», цоколю, форме колбы.
Источники с прямыми «нитями» используются в офисах и жилых домах для освещения помещений с большой площадью. Изделия со спиралью и дугой применяются в декоративном освещении, так как излучают приглушенный, мягкий свет.

Цоколи используются винтовые, чаще всего Е 14 и Е 27. У 27 подходит практически для всех стандартных светильников, Е 14 предназначены для небольших декоративных люстр и бра.
Форма колбы:
- стандартная А60;
- А95 – шар, сфера.
Совсем недавно появились филаментные изделия с матовыми колбами и диммируемые.
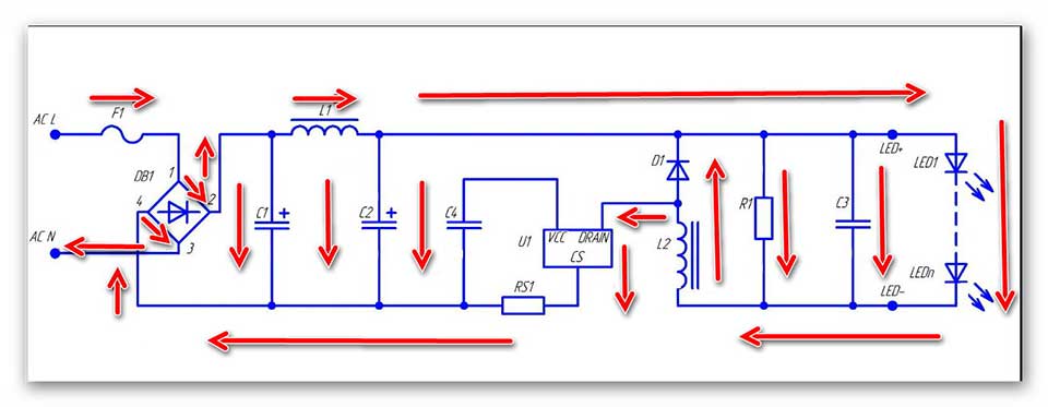
Схема работы филаментной лампы
Как работает вся эта схема? После подачи напряжения ток поступает на цоколь светильника (его нижний контакт).
Проходя через предохранитель (F1), он выпрямляется диодным мостом (DB1). Из переменного тока мы получаем постоянный.

Далее вступают в дело конденсаторы (С1-С2) и дроссель (L1). Они сглаживают ток.
Дойдя до микросхемы (U1), он опять проходит преобразование и превращается в высокочастотные импульсы, которые сглаживаются конденсатором. Пробежав всю эту цепочку, ток наконец проходит через светодиоды филаментов и возвращается обратно в сеть.
Стабилизация тока, протекающего через филаменты, происходит через микросхему регулятора с помощью измерительного сопротивления (RS1).
Анализ причины перегорания филаментной лампы
Чтобы не отставать от технического прогресса при появлении на рынке филаментных ламп приобрел двенадцать таких лампочек с цоколем Е14 мощностью 6 Вт для двух люстр.

Лампы красиво смотрелись в люстре и хорошо освещали помещение, но через год эксплуатации одна из них ярко вспыхнула и перестала светить. Решил выяснить, в чем причина отказа.

Попытка отделить цоколь от колбы лампы не увенчалась успехом. Клей-компаунд скрепил цоколь с колбой намертво. Пришлось применить разрушающий метод разборки с помощью тисков.

Для извлечения драйвера из цоколя пришлось, вращая его сжимать по немного тоже в тисках. Компаунд и остатки стекла колбы при этом крошились.

В результате удалось извлечь из лампы филаменты и драйвер без их повреждения. На фотографии показано как выглядит филаментная лампа без колбы и цоколя.

При осмотре драйвера сразу бросилось в глаза, что рядом с токоограничивающим конденсатором резистор был покрыт слоем копоти, что свидетельствовало о сгорании одной из деталей. Проверка резистора показала его исправность. Следовательно, вышел из строя конденсатор.

На противоположной стороне печатной платы драйвера был распаян только мостовой выпрямитель и нанесена маркировка для подключения. Позвонка диодов мультиметром показала, что все диоды исправны.
Электрическая схема филаментной лампы
Для дальнейшего анализа причины отказа с печатной платы драйвера срисовал электрическую принципиальную схему филаментной лампы. Как видно из схемы, она практически не отличается от стандартной схемы светодиодной лампы, собранной на обыкновенных светодиодах с токоограничивающим конденсатором.

Ток стабилизируется с помощью конденсатора С1, выпрямляется диодным мостом VD1-VD4 и далее поступает на филаменты HL1-HL6, соединенные последовательно двумя параллельными группами по три. Резисторы служат для разряда конденсаторов после выключения лампы. С2 сглаживает пульсации.
Достоинством этой схемы драйвера является простота, позволяющая поместить его даже в цоколь Е14, высокий КПД и практически отсутствие выделения тепла. Недостатком является большой коэффициент пульсаций светового потока, что исключает использование ламп с таким драйвером для освещения рабочих мест с напряженным трудом.

Если необходима филаментная лампа с малым коэффициентом пульсаций, то нужно приобретать с драйвером на микросхеме. На фото классическая схема такого драйвера, но он больше по размерам, поэтому устанавливается только в филаментные лампы с цоколь Е27.
Проверка филаментов лампы
Для проверки филаментов необходимо на их выводы подать напряжение постоянного тока не менее 60 В. Поэтому мультиметром, который выдает в режиме измерения сопротивления напряжение не более 9 В прозвонить филамент невозможно.

Поэтому для проверки филаментов был использован драйвер, извлеченный из лампы. Конденсатор С1 был в обрыве, поэтому был выпаян и вместо него запаян исправный навесной такой же емкости.
При подаче напряжения на драйвер, засветился только один из шести филаментов, и то участками, что указывало на возможную неисправность всех филаментов лампы.

Для проверки филаментов они были разъединены и проверены по отдельности. Подключались к родному драйверу, последовательно с которым по цепи подачи питающего напряжения был запаян дополнительных конденсатор такой же емкости.

Как и ожидалось, все филаменты отказались неисправными. Один из них засветился, как и ранее, участками, что не позволяло его дальнейшее использование.
Причина перегорания филаментной лампы
Филаментная лампа перегорела из-за электрического пробоя токоограничивающего конденсатора С1. В результате все напряжение питающей сети (220 В) было приложено к выводам светодиодных филаментов и через них потек ток, превышающий допустимый.
Светодиоды от перегрева перегорели, как и сам конденсатор. От него и покрылась копотью печатная плата.
Параметры и характеристики
Помимо технических характеристик, которые и составляют преимущества этого типа осветительных конструкций, мощные филаментные лампы обладают очень важными с точки зрения простого обывателя, параметрами.
К таким параметрам, составляющим удобство использования филаментов, относятся:
- совместимость со всеми типами светильников, изготовленных под патрон простых классических лампочек;
- наличие изделий как с круглым, то есть – сферическим, так и с привычным, классическим дизайном колбы;
- высокие показатели светоотдачи и возможность диммирования филаментных ламп.
Если сравнить характеристики приборов разных типов, то станет очевидно следующее:
| Тип лампы | Уровень мощности (ватт) | Отдача света (люмен/ватт) | Диапазон температуры (кельвин) | Сроки работы, гарантированные производителем (часы) |
| Накаливания | 25-150 | 9-20 | 2500-2700 | 600-1000 |
| Экономная, КЛЛ | 15-80 | 40-90 | 2400-6400 | 30000-40000 |
| Светодиодная, LED | 3-30 | 100-120 | до 6500 | 35000-50000 |
| Филаментная, LED | 4-8 | 115-150 | 3000-4500 | 20000-30000 |
Маркируются филаменты с учетом их внешнего вида и моментов, характеризующих цоколь, например, филаментные лампы «Е27» выполнены в классическом дизайне и диаметр цоколя у них от 12 до 27 мм, а вот у изделия с маркером «А95» форма будет круглой, сферической, а диаметр цоколя в разы больше.
Говоря же о стоимости филаментов, нужно заметить, что они заметно экономят расход энергии и снижают цифровое значение в квитанциях за оплату, поэтому, хоть цена на филаментные лампы и кажется на первый взгляд значительной, с учетом всех моментов их эксплуатации, на самом деле высокой она не является.
К тому же, отечественные лампы, российского производства, ничуть не уступающие американским, европейским и уж тем более китайским, стоят вполне приемлемо, даже без учета всех плюсов и преимуществ в эксплуатации.
Самым известным отечественным брендом является «Лисма», стоимость филаментной лампы в 8 ватт в среднем составляет 290-320 рублей, что вполне сопоставимо с расценками на эти приборы за границей, где лампы с аналогичными характеристиками стоят от 5 до 7 долларов.
Стоимость импортных ламп, среди которых наиболее известна продукция немецкого бренда «Osram» в наших магазинах начинается в среднем от суммы в 638 рублей.
Как импортные, так и отечественные производители предлагают лампы, выполненные в следующих вариантах:
- колба в виде свечи;
- классическая форма колбы;
- сфера, то есть колба в виде большого шара;
- декоративные формы колб, необычные по внешнему виду, не подразумевающие наличие абажуров.
В вопросе выполнения патрона лампы могут быть диммируемыми или же со штырьковой формой. Так же филаменты могут быть со стандартными или же с узкими цоколями.
Эти нюансы не влияют на ценообразование, разнообразие вариантов направлено только на максимальное удовлетворение спроса среди покупателей.
Это интересно: В чём разница между ультрафиолетовой и кварцевой лампами (видео)
Светоотдача и мертвая зона
Помимо малого нагрева филаменты обладают еще одним преимуществом – высокая светоотдача. Он доходит до 120 Лм/Вт.
При этом угол рассеивания лампочек достигает 360 градусов. В то время как в обычных светодиодных он не превышает 120-270 градусов.

Секрет №6
Говоря про большие углы освещенности, многие почему-то умалчивают, а может и не знают, про так называемую “мертвую зону”.
Когда филаментная лампочка висит вниз колбой, у нее по центру появляется пятно, которое раза в два темнее, чем весь освещаемый периметр. Диаметр пятна достигает 50см на удалении в 1,5 метра от самой лампочки.
Форма пятна – это четырехлистник, который образуется от нитей светодиодов сходящихся наверху вместе.

Чем он шире, тем больше это пятно.
Кроме прямых нитей, выпускаются модели с дугообразной и спиральной формой.

Они дороже и их чаще всего используют в качестве декоративной подсветки под Новый Год.

Филаментные лампы идеально подходят для хрустальных светильников и люстр. В них как раз-таки важен нитевидный источник света, который при отражении будет играть на гранях хрусталя.

Матовые экономки в таких люстрах смотрятся нелепо. Свет получается “мертвый”, а висюльки не сияют.
Характеристики
Филаментные лампы выпускаются в ограниченном диапазоне потребляемой мощности – от 4 до 8 Вт, что эквивалентно 85 Вт ЛН. Это связано с проблемой охлаждения светодиодной нити. Такая лампа способна создать поток света, равный 980 лм. Светоотдача составляет около 120 лм/Вт. Производители заявляют срок службы изделия около 30 тыс. часов. Световая температура филаментных светодиодных источников света находится в пределах 2 700 К.
Сравнение ламп от разных производителей
Признанный российский производитель Томский завод осветительных приборов Rusled реализует филаментные устройства под торговой маркой “Лампочка Томича”. Изделия этой фирмы нацелены на замещение импортной продукции. Выпускаются лампы трех модификаций: 4, 6, и 8 Вт со световым потоком 400, 600 и 800 лм соответственно. Производитель заявляет ресурс изделия равным 15 тыс. часов.

Изготовление филаментных источников света проводится на базе производства ЛН с использованием китайских комплектующих. При проведении независимого тестирования практически все заявленные характеристики были подтверждены. Однако ресурс изделий не выдерживает никакой критики. Из 30 тестируемых ламп за 2 месяца вышли из строя 26 шт. Связан ли брак с переходным периодом и модернизацией оборудования, не понятно.
Другой российский производитель из Саранска – Лисма – выпускает модели 4, 6, 8, и 9 Вт. Филаменты несколько отличаются от “томичей”. В этих изделиях стеклянная подложка покрывается кристаллами и люминофором только с одной стороны, вторая остается чистой. Это позволяет еще больше повысить срок службы кристаллов за счет увеличивающегося теплоотвода. Производитель гарантирует исправную работу источников света в течение 30 тыс. часов.

При проведении тестирования температура колбы 8- и 9-ваттных ламп составила 70 и 85°С соответственно. В этом случае сложно говорить о длительном сроке службы изделия. В этих же моделях и другие параметры, кроме пульсации, не соответствуют заявленным.
В большинстве случаев поломки филаментных ламп происходили из-за низкого качества изготовления драйвера. При разборке было выявленно повышенное (более 300 В вместо 160 В) напряжение, что говорит о выходе из строя источника питания. Эти поломки характерны для изделий обоих производителей. Хотя необходимо отметить, что процент брака у Лисмы ниже и составляет 20-25%.
Преимущества филаментных ламп
Положительными качествами филаментных ламп являются:
- совместимость с патронами Е27 и Е14;
- низкое энергопотребление;
- большой световой поток и высокое качество света;
- длительный срок службы;
- экологичность, утилизируются как бытовые отходы;
- низкая рабочая температура нити.
Благодаря этим характеристикам спрос на филаментные светодиодные лампы и их производство будут расти.
Недостатки
Как и любые недавно выпущенные изделия, эти лампы имеют свои отрицательные стороны:
- высокая цена;
- низкая прочность стекла;
- большой процент брака;
- отсутствие низковольтных аналогов.
Дальнейшее развитие производства должно привести к уменьшению цен и повышению качества продукции.
Предыдущая
ПодсветкаВыбор подсветки для аквариума и как сделать самостоятельно
Следующая
Светильники, браКак выбрать подходящий светильник для аквариума
Спасибо, помогло!Не помогло
Недостатки филаментных ламп
Помимо множества преимуществ филаментные светодиодные лампы не лишены и недостатков
Так:
Наличие специального драйвера повышает цену устройства;
Колба в которой расположены филаменты довольно хрупкая и с ней требуется обращаться весьма осторожно.
Светодиодные филаментные лампы должны быть покрыты исключительно высококачественным люминофором, так как в противном случае может произойти утечка синего света которая вредна для глаз. А значит приобретать такой товар можно только у проверенных и надежных производителей
Вот почему мы столь внимательно относимся ка предлагаемой нами продукции. На нашем сайте представлены только высококачественные филаментные светодиодные лампы купить которые вы сможете по самым выгодным в Москве ценам.
Таким образом, светодиодные филаментные лампы можно смело отнести к одним из лучших достижений современных LED технологой. За ними будущее, в котором все усилия будут направлены на то, чтобы предложить потребителю более передовые и практичные устройства.
Драйвер филаментной лампочки Томича
Использование светодиодного принципа требует установки драйвера, расположенного внутри цоколя. Назначение устройства — снижение тока из сети до параметра, безопасного для светодиодных элементов.
Драйвер состоит из следующих элементов:
- Предохранитель.
- Выпрямитель диодного моста.
- Сглаживающие конденсаторы.
- Микросхема импульсного токового регулятора с дополнительными компонентами. В состав схемы входит диод, дроссель, сопротивление ВЧ конденсатор.

Особый интерес заслуживает схема драйвера. В фазном проводе установлен предохранитель F1, вместо которого можно поставить сопротивление до 20 Ом до 1 Вт мощности.
Также в элементы схемы входит:
- диодный мост для выпрямления тока на напряжение 400 — 1000 В, DB1;
- конденсатор для сглаживания пульсаций на выходе DB1, E2;
- дополнительная емкость для подачи напряжения на схему, E1;
- драйвер устройства, благодаря которому работает вся цепь, SM7315P;
- емкость для фильтрации пульсаций на выходе, E3;
- токовый датчик для корректировки силы тока в цепи источников света, R1 (чем выше сопротивление, тем ниже ток);
- сопротивление для снижения тока на преобразователе, R2;
- диод, обеспечивающий функционирование преобразователя, D1;
- накопительная индуктивность для преобразования напряжения, L

По сути, элементы D1, L1 и транзисторный ключ формируют типовую схему импульсного преобразователя.

Почему мигает светодиодная лампа, причины, способы устранения
Достоинства и недостатки
Филаментные светодиодные лампы известны небольшому кругу потребителей, поскольку выпускаются в ограниченном количестве. Их разработка еще продолжается, чтобы устранить все недостатки и представить всему миру глобальный выпуск светильников нового поколения. На данный момент, те, кто пользуются филаментными лампами, выделяют несколько плюсов и минусов.
Преимущества:
- Большой угол освещения. По сравнению с обычными, а также светодиодными моделями, угол освещения филаментного светильника в 3 раза больше, практически 360 градусов. Подобный эффект достигли в результате совмещения в одно сооружение полностью прозрачного и прочного стекла, и конструкции из светодиодов. Таким образом, одна лампа может освещать помещение в 20-35 кв.м.
- Полностью прозрачная колба. За счет этого повышается уровень энергоэффективности светильника.
Достоинства использования филамнентного устройстваОбратите внимание! В лампе накаливания и светодиодных вариантах используются полупрозрачные колбы. Они забирают на себя часть света, из-за чего свет становится тусклее
Вам это будет интересно Особенности электронного балласта
- При долгой работе, температура в колбе увеличивается до максимального уровня, что мешает нормально распределять световые диоды по всей поверхности колбы. Как результат — плохое освещение или «мигание». В филаментных лампах это момент предусмотрен. Благодаря особенному созданию конструкции светодиодов, температура равномерно распространяется по нити, нагревая каждый световой кристалл до оптимальной температуры. Это позволяет свету лучше распространяться по общей поверхности колбы и делать свет ярче. Кроме того, газ, который находится в колбе и диодах, регулирует температуру в лампе, не допуская перегревания.
- Работоспособность и производительность. Обычная лампа служит не более 1000 часов, в то время как филаментные модели — 30000 часов.
- Практичность. На рынке можно увидеть огромное количество филаментных ламп, разного цвета, формы, вида. Их можно устанавливать в светильники, монтировать в натяжные потолки, пол и так далее.
- Комфорт. Данные светильники не мерцают, цвет приятный для глаз, можно использовать как постоянный источник света. Им не страшны перепады температур или скачки напряжения.

Свойства стеклянной колбы филаментной лампочки Недостатки:
- На рынке представлены модели небольшой мощности. Лампы начали выпускать в 2008 году, поэтому их совершенство еще в процессе.
- Не совместимы с низковольтными сетями.
- Стоят дороже, чем обычные лампы.
- Колба изготавливается только из стекла. Это снижает практичность модели. На данный момент производится проектирование ламп из других материалов.
- Филамент не ремонтируется. Если один диод из конструкции вышел из строя, его уже невозможно починить, как обычную лампу.
Преимущества и недостатки
Филаментные лампы являются продуктом инновационной технологии, но имеют свои достоинства и недостатки. К преимуществам относятся:
- полная совместимость с осветительными приборами, рассчитанными на лампы накаливания;
- экономия электроэнергии;
- привычный дизайн;
- большой угол распространения света, по сравнению со светодиодными лампами, имеющими большой радиатор и однонаправленность диодов;
- большой срок службы;
- высокий уровень отдачи света за счет прозрачности конструкции, маленького радиатора;
- легкий вес – 20-40 г.
К минусам можно отнести:
- хрупкость корпуса, так как колба делается из стекла;
- отсутствуют модели, рассчитанные на низковольтную сеть;
- высокая цена.

Вообще что такое филамент?
Мы привыкли, что все современные светодиодные лампы, которые есть в продаже, устроены на SMD диодах. Первоначальные лампы на DIP диодах уже давно отжили своё, т.к. не эффективны — их уже трудно сыскать
Сейчас самые популярные в форме груши, свечи, шариков, таблетки gx53 — они все в основном идут на SMD диодах 2835, 5730, 5630 типа.
И даже есть уже лампы на COB диодах — это чипы с очень плотным монтажом для изготовления в основном миниатюрных ламп G4 и G9. А также MR16 и другие лампы направленного света. Груши на COB технологии изготавливать смысла большого нет, так как COB светодиоды имеют очень малый угол рассеивания — всего 120 градусов.
Поэтому на основе таких светодиодов делают источники света (лампы, светильники) именно направленного света, такие как прожекторы.
А если нужен рассеянный свет, то выходят из положения применением SMD диодов, размещая их на матрице в одной плоскости, которую прикрепляют к радиатору для теплоотвода. А свет рассеивается за счет матовой колбы.
Но так или иначе, в любом случае, угол рассеивания гораздо хуже чем у филаментных — где-то 180 градусов, а то и меньше.
Преимущество такой технологии в том что, она позволяет хорошо отводить тепло.
Особенно если в конструкции применён хороший радиатор.
Еще некоторые производители пытаются выйти из положения за счёт увеличения сферы матового рассеивателя (пластиковой колбы), дабы увеличить сам угол рассеивания.
Статья по теме: Обезьянка крестиком схема: к новому году 2021, бесплатно, рисунок
Вот как раз в таких LED лампах угол приближен к 270 градусам.
Но, в любом случае, за счёт матового рассеивателя КПД лампы снижается, т.к. часть света теряется вот в этом самом рассеивателе. Чтобы уйти от этой «потери света» изобрели вот такие вот филаменты.
В них применяются нитевидные светодиодные матрицы. Это не один светодиод, а типа COB технология, только здесь она называется COG (Chip on Glass).
В COG на стеклянное основание нарощены светодиоды и покрыты люминофором ( которое как раз таки и светится тем или иным цветом свечения).
Для того чтобы отводить тепло этих нитевидных светодиодов, внутрь закачан (по сути должен быть закачан по технологии) газ, на основе гелия. Вот он обладает хорошей теплопроводностью и текучестью. Он там внутри за счет конвекции он отводит тепло от светодиодов к стеклянной колбе, а та уже отдает в окружающую среду.
Так вот мощность филаментных ламп ограничена ёмкостью вот этой колбы, и сколько туда газа можно закачать.
Поэтому невозможно поставить там 20-30 таких светодиодных нитей. Да, теоретически они будут светить, но не долго, т.к. быстро перегреются и выйдут из строя.
Поэтому как и классические LED лампы, филаментные ограничены в мощности. В маленькой лампочке нельзя реализовать 20Вт, а обычно 5-7Вт.
Максимум, что мне встречалось это 18Вт в А60 колбе у LEDeX, и то с применением хорошего радиатора. Так что в принципе для долгосрочной службы лампы реализовать больше мощности уже не получится.
Так и в филаментных мощность лампы ограничена размерами, а точнее емкостью колбы.
На пример, Feron заявляют, что реализовали на этой лампе 7Вт.
Но насколько я уже сталкивался с этими лампами, в среднем мощность одной нити составляет порядка 1Вт.
Соответственно если нитей четыре, то получается 4 Вт. Но у каждого производителя разные комплектующие и возможно в одной нити может быть конечно и больше 1Вт. Но это очень просто замерять.
Здесь вот чудес нет, и она не 7 Вт. Как я и подозревал, 3-4 Вта — вот такая фактическая мощность. Как видите, достаточно легко с этими лампами прикинуть мощность: просто смотрите, сколько у неё нитей. И помните: одна нить потребляет порядка 1Вт.
К тому же коэффициент пульсации порядка 25%, а это, в любом случае, больше чем санитарные нормы. Поэтому для бытового использования в домашних условиях я бы такой лампу наверное не применял.
Из плюсов: лампа не греется, и буквально чуть тепленькая. Хотя на 4Вт… конечно, чего бы она нагревалась. И обычная LED лампа в 4Вт греться почти не будет. Но КПД у филаментной лампы выше.
Сейчас они пока конечно дороже чем обычные на традиционных SMD диодах.
Особенно разница ощущается в ряду с удешевленными лампами на так называемых, композитных радиаторах. Там радиатор где-то есть, а где-то нет. Так для чего имеет смысл покупать такие вот филамент-лампочки?
Лампы с таким нитевидным светодиодом отлично подходят именно для хрустальных светильников и люстр.
Потому что для хрустальных светильников важен, вот этот эффект, чтобы свет играл на грани хрусталя. А с матовым источником хрустальные люстры переливаться не будут.
Ну и потом так как КПД такой лампы лучше, она и свет рассеивает лучше. И там, где Вам нужен именно хороший угол рассеивания, вот такие филаменты подойдут лучше всего.
Отличия современных и старых ламп
Первые модели были достаточно дорогими, потому нитевидные светодиоды выращивались не на стеклянной подложке, а на сапфировой. И самые первые модели были как эксклюзивное решение и достаточно дорогими. Сейчас и количество производителей увеличилось, конкуренция на рынке усиливается, и соответственно, технология с выращиванием на стеклянной подложке уже отработана, так что удешевление филаментов продолжается.
Подготовлено с использованием материалов интернет магазина светотехники АксиомПлюс
Анатолий Бездымный
Самые лучшие посты
- Канзаши: новые идеи картин, мастер-классы с фото и видео
- Комод из картона своими руками: мастер-класс с чертежами и схемами
- Как сделать отмостку вокруг дома своими руками: устройство бетонной, мягкой, видео
- Технология изготовления плетеного кресла своими руками
- Амигуруми зайцы: схемы с описанием, фото и видео
- Как выбрать краску и валик для флизелиновых обоев под покраску
- Изготовление банкетки своими руками
- Как оформить детскую комнату? 34 фото дизайна интерьера




































